Bộ chia thủy lực 3 cổng TLP MF3RCT
| Bộ chia thủy lực 2 cổng TLP MF2RCT | 1.500.000₫ | ||
| Bộ chia thủy lực 3 cổng TLP MF3RCT | 2.240.000₫ | ||
| Bộ chia thủy lực 4 cổng TLP MF4RCT | 3.020.000₫ |
| Số cổng vào | 1 cổng |
| Số cổng ra | 3 cổng |
| Chất liệu | Thép hợp kim |

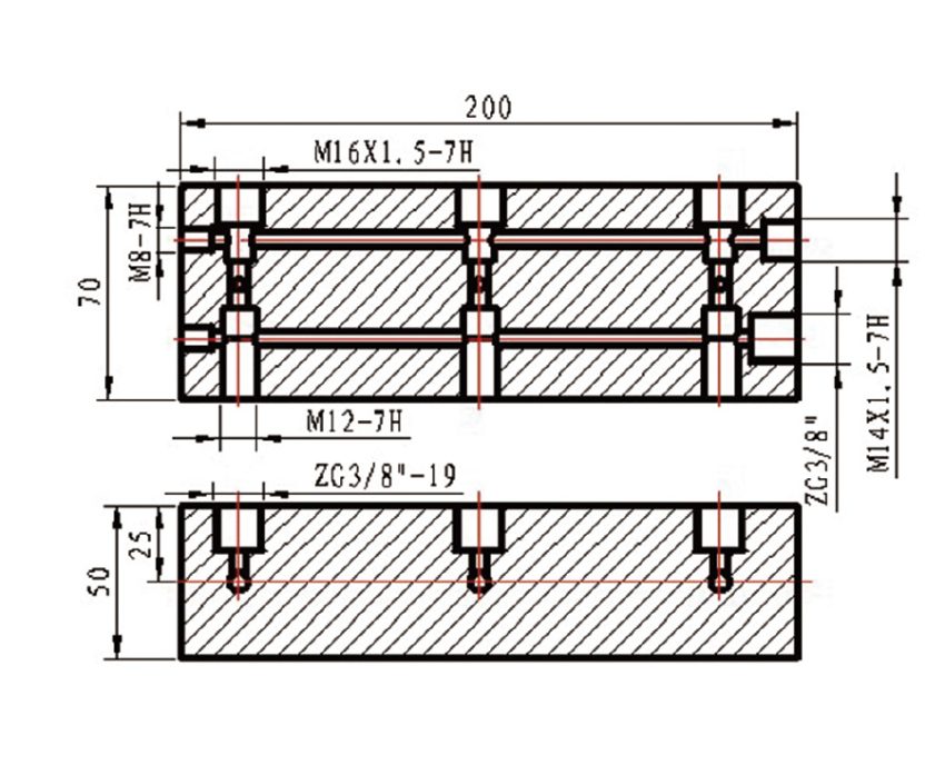
Tổng quan về bộ chia thủy lực 3 cổng TLP MF3RCT
Bộ chia thủy lực 3 cổng TLP MF3RCT có công dụng chính là phân phối dòng áp suất thủy lực từ một nguồn cấp duy nhất đến ba thiết bị đầu ra khác nhau một cách đồng đều và ổn định. Thiết bị giúp tối ưu hóa khả năng vận hành đồng thời nhiều xilanh hoặc mô-đun thủy lực trong cùng hệ thống.

Thông số kỹ thuật bộ chia thủy lực 3 cổng TLP MF3RCT
- Số cổng vào: 1 cổng
- Số cổng ra: 3 cổng
- Chất liệu: Thép hợp kim

Lợi ích khi sử dụng bộ chia thủy lực 3 cổng TLP MF3RCT
- Giúp chia đều áp suất thủy lực từ một nguồn cấp đến ba thiết bị khác.
- Thiết kế nhỏ gọn, thuận tiện lắp đặt trong không gian hẹp hoặc vị trí cố định.
- Giảm số lượng ống dẫn, hạn chế rò rỉ và thất thoát áp suất trong hệ thống.
- Làm từ thép hợp kim chất lượng cao, chịu được áp lực lớn và môi trường khắc nghiệt.
- Giúp đồng bộ hoạt động giữa các xilanh hoặc thiết bị truyền động trong hệ thống thủy lực.
- Tăng tuổi thọ bơm thủy lực nhờ phân phối dòng chảy hợp lý và ổn định hơn.

Thiết kế nhiều cổng chia đặc biệt của bộ chia thủy lực 3 cổng TLP MF3RCT
Bộ chia thủy lực TLP MF3RCT được thiết kế với 3 cổng chia, cho phép kết nối đồng thời ba thiết bị thủy lực từ một nguồn cấp duy nhất. Cấu trúc này giúp phân phối áp suất đều, tối ưu hiệu suất hệ thống và giảm thiểu nhu cầu sử dụng nhiều nguồn cấp riêng biệt. Thiết kế 3 cổng mang lại sự tiện lợi và linh hoạt trong lắp đặt và vận hành.

Một số lưu ý khi sử dụng bộ chia thủy lực 3 cổng TLP MF3RCT
- Kiểm tra áp suất hệ thống không vượt mức cho phép để tránh gây hư hỏng.
- Sử dụng đúng loại dầu thủy lực theo khuyến cáo để đảm bảo hiệu suất thiết bị.
- Đảm bảo kết nối ren NPT 3/8” chắc chắn, không bị rò rỉ trong quá trình vận hành.
- Lắp đặt đúng hướng dòng chảy để bảo đảm phân phối áp suất ổn định và chính xác.
- Tránh tác động cơ học mạnh vào bộ chia nhằm duy trì độ bền theo thời gian.
- Thực hiện vệ sinh và kiểm tra định kỳ nhằm loại bỏ bụi bẩn, cặn dầu tích tụ.
- Đào tạo người sử dụng về vận hành và bảo trì để tăng hiệu quả sử dụng lâu dài.

Mua bộ chia thủy lực 3 cổng TLP MF3RCT ở đâu
Bộ chia thủy lực 3 cổng TLP MF3RCT là sản phẩm nhập khẩu chính hãng từ thương hiệu TLP, đảm bảo chất lượng và độ bền vượt trội trong các ứng dụng công nghiệp. Sản phẩm hiện đang được phân phối với giá tốt nhất thị trường tại DBK Việt Nam, giúp người dùng tiết kiệm chi phí đầu tư đáng kể. Bên cạnh đó, chính sách bảo hành lâu dài và rõ ràng mang lại sự yên tâm tuyệt đối trong quá trình sử dụng.
Thông tin liên hệ tư vấn hỗ trợ
- Cửa hàng: 82/2 Đường số 2, P. Hiệp Bình Phước, TP. Thủ Đức
- Hotline: 0932 540 460
- Mail: info@dbk.vn
- Xem thêm các phụ kiện thủy lực khác tại: dbk.vn/phu-kien-thuy-luc
Bình luận của bạn đã được gửi đi, bình luận sẽ được hiển thị sau khi kiểm duyệt.