Bộ nguồn thủy lực 12v
Bộ nguồn thủy lực 12V DC (hay còn gọi là bộ nguồn thủy lực mini, bơm thủy lực 12V, bơm thủy lực mini 12V, trạm nguồn thủy lực mini,...) là một thiết bị thủy lực có nhiệm vụ cung cấp bơm dầu có áp lực cho xi lanh làm việc, tức là chuyển hóa năng lượng điện năng thành thủy năng làm cho các thiết bị thủy lực hoạt động theo yêu cầu.
7 Bộ nguồn thủy lực 12v
Bộ nguồn thủy lực 12V DC là gì?
Bộ nguồn thủy lực 12V DC, về chức năng thì tương tự với các thiết bị thủy lực khác nhưng làm việc dưới dòng điện dòng điện một chiều (DC) với điện áp 12V để vận hành. Điểm đặc biệt của loại bộ nguồn này là khả năng hoạt động hiệu quả ở những nơi không có nguồn điện xoay chiều (AC) hoặc trong các ứng dụng di động.

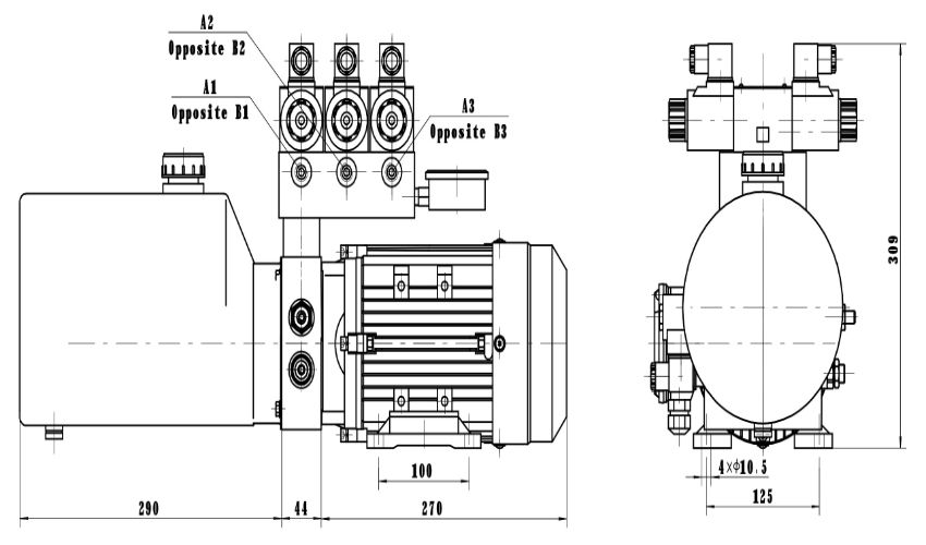
Cấu tạo bộ nguồn thủy lực 12V DC
Bộ nguồn thủy lực 12V DC có cấu tạo tương tự bộ nguồn thủy lực thông thường, nhưng được tối ưu hóa để hoạt động bằng dòng điện một chiều (12V). Cấu tạo chi tiết gồm các thành phần sau:

Động cơ điện DC
- Sử dụng động cơ điện một chiều (12V), công suất từ 1.5 - 2.2 kW.
- Đây là thành phần chủ lực, giúp truyền động bơm thủy lực và cung cấp năng lượng cho toàn hệ thống.
Rơ-le đóng ngắt
Đảm bảo khả năng kiểm soát việc khởi động hoặc ngừng hoạt động của động cơ và bơm, bảo vệ hệ thống khỏi tình trạng quá tải hoặc ngắn mạch.
Hệ thống van thủy lực
Các van được tích hợp trực tiếp trên bộ nguồn, thực hiện nhiều chức năng điều khiển dòng chảy và áp suất. Một số loại van phổ biến:
- Van một chiều: Ngăn dòng chảy ngược.
- Van an toàn: Bảo vệ hệ thống khỏi áp suất quá mức.
- Van Solenoid (điện từ): Điều khiển hướng dầu trong hệ thống.
- Van tiết lưu: Kiểm soát lưu lượng và tốc độ dòng chảy.

Bơm thủy lực
Kết nối với động cơ để thực hiện chức năng hút dầu từ thùng chứa và đẩy dầu vào hệ thống dưới áp suất cao. Các loại bơm thường được sử dụng gồm:
- Bơm piston.
- Bơm cánh gạt.
- Bơm bánh răng.
Nắp thùng dầu
Đảm bảo kín và bảo vệ dầu thủy lực khỏi bụi bẩn hoặc các tạp chất từ môi trường.
Thùng dầu
- Có dung tích nhỏ, từ 6 - 8 lít tùy loại.
- Chứa dầu thủy lực để cung cấp nhiên liệu cho bơm và các thiết bị trong hệ thống.
- Đóng vai trò quan trọng trong việc duy trì lượng dầu ổn định cho quá trình vận hành.

Nguyên lý hoạt động của bộ nguồn thủy lực 12V DC
Bộ nguồn thủy lực 12V DC chuyển đổi điện năng từ dòng điện một chiều 12V thành áp suất dầu cao, cung cấp năng lượng để vận hành các thiết bị trong hệ thống thủy lực. Bộ nguồn này được trang bị sẵn các loại van thủy lực, đáp ứng đa dạng các yêu cầu sử dụng trong hệ thống.

Đặc điểm vận hành:
Chuyển đổi năng lượng:
- Động cơ điện DC (12V) truyền động cho bơm thủy lực, tạo ra áp suất dầu cao.
- Áp suất này được sử dụng để vận hành các cơ cấu thủy lực như xi lanh hoặc motor thủy lực.
Tích hợp van thủy lực:
- Các van như van một chiều, van an toàn, van Solenoid, và van tiết lưu được lắp đặt sẵn để đảm bảo điều khiển dòng chảy, áp suất, và hướng dầu trong hệ thống.
- Hệ thống hoạt động linh hoạt, đáp ứng nhanh các yêu cầu tải trọng và thao tác.
Âm thanh vận hành:
- Do hoạt động ở áp suất cao, âm thanh "xì" thường xuất hiện khi dầu được điều chỉnh qua các van hoặc các công tắc hành trình.
- Đây là hiện tượng bình thường, không gây ảnh hưởng đến hiệu suất hay độ bền của bộ nguồn.

Quy trình vận hành của bộ nguồn thủy lực 12V DC
Để đảm bảo hiệu quả và an toàn trong quá trình sử dụng bộ nguồn thủy lực 12V DC, thực hiện các bước sau:
Cấp nguồn điện
- Kết nối nguồn điện DC 12V với rơ le điều khiển.
- Rơ le kích hoạt, các tiếp điểm đóng lại, cấp điện cho động cơ.
Khởi động động cơ và bơm
- Động cơ điện hoạt động, quay trục để chuyển đổi cơ năng thành thủy năng.
- Bơm thủy lực hút dầu từ thùng chứa và đẩy đến các cơ cấu chấp hành qua hệ thống van..
Điều khiển dòng chảy và áp suất
- Các van thủy lực làm nhiệm vụ điều chỉnh hướng, lưu lượng, và áp suất của dòng dầu.
- Hệ thống vận hành theo từng chức năng được thiết lập sẵn.

Giám sát thông số
- Theo dõi áp suất dầu, lưu lượng, và nhiệt độ qua các thiết bị đo (đồng hồ áp suất, đồng hồ nhiệt, lưu lượng kế).
- Đảm bảo các thông số nằm trong giới hạn an toàn.
Dừng hệ thống
- Ngắt nguồn cấp điện cho động cơ bằng cách ngắt rơ le.
- Động cơ và bơm dừng hoạt động, van một chiều khóa hệ thống, ngăn dòng dầu chảy ngược.
Xả dầu sau khi dừng
- Hệ thống điều khiển tiếp tục cấp điện cho cuộn dây van điện từ.
- Dầu được xả về thùng chứa thông qua van lưu lượng để giảm áp suất và đảm bảo an toàn.
Khởi động lại
- Cấp nguồn điện tương tự như quy trình khởi động ban đầu.
- Kiểm tra các thông số trước khi đưa hệ thống vào hoạt động trở lại.

Bộ nguồn thủy lực 12V DC có ưu điểm gì?
Ưu điểm của dòng 12V DC:
- Hiệu suất làm việc và độ tin cậy cao
- Thiết kế nhỏ gọn, dễ dàng lắp đặt
- Vận hành êm ái, tiếng ồn thấp
- Khả năng tùy chỉnh với hệ thống mô-đun
- Tỷ lệ lỗi và sai sót thấp
- Quy trình hoạt động đơn giản, dễ sử dụng
- Giá thành hợp lý và cạnh tranh
- Phù hợp cho nhiều ứng dụng ngắn hạn và tải trung bình
Một số hạn chế của loại này:
- Bộ nguồn 12V DC có hiệu suất tản nhiệt không cao, chỉ phù hợp cho các ứng dụng ngắn hạn hoặc tải trung bình.
- Do sử dụng nhiên liệu dầu mỏ, thiết bị này không phù hợp cho các môi trường cần hoạt động liên tục trong thời gian dài.

Khi nào thì sử dụng bộ nguồn thủy lực 12V DC
Bộ nguồn thủy lực 12V DC được sử dụng trong các tình huống đặc thù, đòi hỏi sự phù hợp về nguồn điện và yêu cầu kỹ thuật:
- Được dùng trong các thiết bị như xe nâng, xe tải, thang nâng, nơi không có sẵn nguồn điện xoay chiều (AC).
- Thiết kế nhỏ gọn, dễ dàng lắp đặt và vận chuyển, phù hợp với các thiết bị yêu cầu tính cơ động cao.
- Bộ nguồn có kích thước nhỏ, tối ưu hóa cho các môi trường hẹp, nơi không thể bố trí các bộ nguồn lớn hơn.
- Phù hợp với các hệ thống có chu kỳ làm việc ngắn do giới hạn về khả năng tản nhiệt và dung tích thùng dầu.
- Thích hợp cho các hệ thống thủy lực hoạt động ở mức áp suất trung bình, không yêu cầu áp suất cao.
- Là lựa chọn tối ưu trong các ứng dụng yêu cầu chi phí đầu tư thấp nhưng vẫn đảm bảo hiệu suất và độ tin cậy.

Ứng dụng phổ biến của dòng bộ nguồn 12V DC
Bộ nguồn thủy lực 12V DC có ứng dụng rộng rãi trong nhiều lĩnh vực nhờ thiết kế nhỏ gọn và vận hành đơn giản. Các ứng dụng phổ biến bao gồm:
- Điều khiển sàn ghi trong nhà máy xi măng.
- Máy xúc, xe nâng, xe cẩu, xe đào, xe bảo dưỡng.
- Hệ thống nâng nhỏ hoặc xe nâng loại nhỏ.
- Máy CNC công nghiệp.
- Hệ thống thủy lực trong thang máy, nền tảng làm việc trên không.
- Mô hình thí nghiệm thực hành cho sinh viên.
- Cơ cấu nâng hạ trong mỏ, cột chống thủy lực.
- Máy đạp, máy chấn, máy ép thủy lực, máy đùn nhôm.
- Hệ thống lắp ráp ô tô, dây chuyền tự động.
- Hệ thống thủy lực khẩn cấp.
- Máy cưa bê tông, giường bệnh viện, ghế nâng.
- Sử dụng cho nhiều loại xy lanh khác nhau.

Lưu ý khi sử dụng nguồn thủy lực 12V DC
- Dòng điện của nguồn cấp phải có giá trị lớn hơn 120A
- Thời gian hoạt động liên tục ngắn, không quá 3 phút
- Không điều chỉnh lại kết cấu hoạt động ban đầu của van
- Chú ý nhiệt độ của dầu không quá 70 độ C
- Thay sau 100 giờ hoạt động đầu tiên và thay dầu định kỳ sau mỗi 3000 giờ hoạt động
- Vệ sinh thùng dầu thường xuyên
- Kiểm tra mức dầu còn lại trong thùng
- Chọn vị trí lắp đặt phù hợp, tránh bụi bẩn, tránh nước, tránh bị tác động lực từ bên ngoài.

Báo giá bộ nguồn thủy lực 12V DC
Bộ nguồn thủy lực 12V DC có giá dao động tùy thuộc vào loại và đặc tính kỹ thuật. Mức giá phổ biến của dòng sản phẩm này trên thị trường thường nằm trong khoảng từ 4 triệu đến 7 triệu đồng. Tuy nhiên, một số bộ nguồn có tính năng đặc biệt hoặc công suất lớn có thể có giá cao hơn.

Một số bộ nguồn thủy thực 12V DC của DBK Việt Nam
Một số bộ nguồn thủy lực 12V DC của DBK Việt Nam với các đặc điểm và thông số kỹ thuật bạn có thể tham khảo:
- Nguồn thủy lực 12V Parker: Sử dụng nguồn điện 12V DC, lưu lượng 5.3 lít/phút, áp suất tối đa đến 231 bar.
- Nguồn thủy lực 12V JND: Sử dụng nguồn điện 12V DC, lưu lượng 7 l/ph, áp suất max 25.
- Nguồn thủy lực 12V Hydraulic Station: Sử dụng điện áp 12V DC, công suất động cơ 1,5kw, lưu lượng bơm 3.045 lít/phút, áp suất tối đa 220 bar, dung tích dầu 8 lít.

Mua ngay bộ nguồn thủy lực 12V DC giá tốt tại DBK.VN
Nếu bạn đang phân vân về việc chọn mua bộ nguồn thủy lực 12V DC chất lượng với giá hợp lý, DBK Việt Nam chính là địa chỉ đáng tin cậy cho bạn. Chúng tôi hiểu rõ nhu cầu của khách hàng và luôn nỗ lực cung cấp các sản phẩm nguồn thủy lực với mức giá cạnh tranh, đảm bảo chất lượng cao.
Lý do chọn mua tại dbk.vn:
- Chúng tôi chỉ cung cấp bộ nguồn thủy lực 12V DC chính hãng từ các thương hiệu nổi tiếng.
- Chính sách bảo hành tốt và hỗ trợ sau bán hàng tận tình cho khách hàng.
- Mỗi sản phẩm đều được kiểm tra kỹ càng trước khi giao hàng, đảm bảo an toàn và hiệu quả khi sử dụng.
- Quy trình đóng gói đảm bảo an toàn, tránh hư hỏng trong quá trình vận chuyển.
Liên hệ ngay với chúng tôi để được tư vấn miễn phí và biết thêm thông tin chi tiết về sản phẩm. Chúng tôi cam kết mang đến sự hài lòng tuyệt đối cho khách hàng!






